↑
↓
‹
›
1680*1050 LVDS to VGA Driver Board LH-2270V1.1 Multi-purpose LCD Control Board With Earphone Input and Speaker Output
$12
Key attributesDisplay SizeAccording to Control Board 's Max ResolutionPlace
Product Description
Video Description
Key attributes
Packaging and delivery
Product Paramenters


Details Images
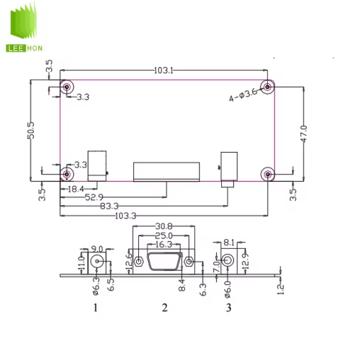
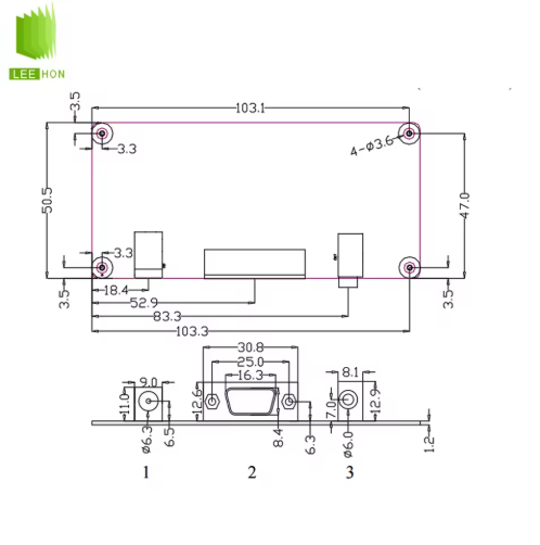
LH-2270V1.1



Our Factory




Product packaging

Reviews

FAQ
